Design Prototype of Bio-filter to Treatment of Carbon Dioxide Gas Exhausts

Suliman, A.E
Suliman, A.E
Suliman
Suliman
G.E.M. Nasr
G.E.M. Nasr
M.A. Baiomy
M.A. Baiomy
H.M. Ahmed
H.M. Ahmed

Send Message

To: Author

Design Prototype of Bio-filter to Treatment of Carbon Dioxide Gas Exhausts

Article Fingerprint

ReserarchID

1LOL4

Design Prototype of Bio-filter to Treatment of Carbon Dioxide Gas Exhausts Banner

AI TAKEAWAY

Connecting with the Eternal Ground
  • English
  • Afrikaans
  • Albanian
  • Amharic
  • Arabic
  • Armenian
  • Azerbaijani
  • Basque
  • Belarusian
  • Bengali
  • Bosnian
  • Bulgarian
  • Catalan
  • Cebuano
  • Chichewa
  • Chinese (Simplified)
  • Chinese (Traditional)
  • Corsican
  • Croatian
  • Czech
  • Danish
  • Dutch
  • Esperanto
  • Estonian
  • Filipino
  • Finnish
  • French
  • Frisian
  • Galician
  • Georgian
  • German
  • Greek
  • Gujarati
  • Haitian Creole
  • Hausa
  • Hawaiian
  • Hebrew
  • Hindi
  • Hmong
  • Hungarian
  • Icelandic
  • Igbo
  • Indonesian
  • Irish
  • Italian
  • Japanese
  • Javanese
  • Kannada
  • Kazakh
  • Khmer
  • Korean
  • Kurdish (Kurmanji)
  • Kyrgyz
  • Lao
  • Latin
  • Latvian
  • Lithuanian
  • Luxembourgish
  • Macedonian
  • Malagasy
  • Malay
  • Malayalam
  • Maltese
  • Maori
  • Marathi
  • Mongolian
  • Myanmar (Burmese)
  • Nepali
  • Norwegian
  • Pashto
  • Persian
  • Polish
  • Portuguese
  • Punjabi
  • Romanian
  • Russian
  • Samoan
  • Scots Gaelic
  • Serbian
  • Sesotho
  • Shona
  • Sindhi
  • Sinhala
  • Slovak
  • Slovenian
  • Somali
  • Spanish
  • Sundanese
  • Swahili
  • Swedish
  • Tajik
  • Tamil
  • Telugu
  • Thai
  • Turkish
  • Ukrainian
  • Urdu
  • Uzbek
  • Vietnamese
  • Welsh
  • Xhosa
  • Yiddish
  • Yoruba
  • Zulu
Font Type
Font Size
Font Size
Bedground

Abstract

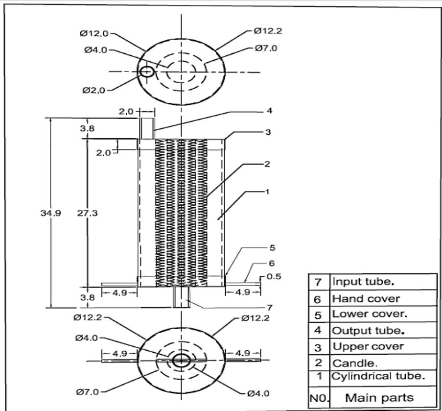
The research aims to design and fabricate prototype of a bio-filter which used to process the emissions of CO and Co 2 .That are mainly generated from the combustion of coal, oil and natural gas. These are main energy resources in our daily life whichused in different food activities as food factories and charcoal grills. The prototype consists of cylinder steel with two covers, two tubes welded on the outer face of each cover and candle of filter.Candlwas consisting of two circle walls and the space between two walls was 2cm In the experimentswere conducted on four cases frombio materialsas follows:-1-grinded ficusgreen leaves 2-grinded green leaves after drying 3-dry sawdust, 4-Wet sawdust.Measurements were done at five times after 2, 4, 6, 8, and 10 min. from starting experiments.The moisture contents was measured to the agricultural residues (bio-materials) before and after experiments. Chemical analysis was done on the bio-material to measure the Co,Co 2 befor and after experiments. Also,Co ,Co 2 were measured in the air befor input prototype and after output.The results with bio.filter were: -with green leaves: Co 2 ratiodecreased to18% ,Codecreased to 2 %. And absorb of C ratio bygreen leaves was4.5%.

Generating HTML Viewer...

References

11 Cites in Article
  1. Abd El-Aziz,N Mahgoub,M Mazhar,A,M Farahat,M Abouziena,H (2015). Cimetidine : A Review.
  2. Aoac (2000). Official methods of analysis of AOAC international. 17th Ed. official method of analysis.
  3. C Brethour,G Watson,B Sparling,D Bucknell,T Moore (2007). Literature Review of Documented Health and Environmental Benefits Derived from Ornamental Horticulture Products.
  4. H Herzog,; Meldon,A Hatton (2009). Advanced Post-Combustion Co 2 Capture. CCS implementation at coal-fired power plants.
  5. I Hussain,L Raschid,M Hanjra,F Marikar,; Van Der Hoek (2009). Wastewater use inagriculture: Review of impacts and methodological issues in valuing impacts.
  6. Jian-Rong Li,Yuguang Ma,M Mccarthy,Julian Sculley,Jiamei Yu,Hae-Kwon Jeong,Perla Balbuena,Hong-Cai Zhou (2011). Carbon dioxide capture-related gas adsorption and separation in metal-organic frameworks.
  7. Gary Rochelle (2009). Amine Scrubbing for CO <sub>2</sub> Capture.
  8. Sepa Sepa (2019). Halaman Depan.
  9. H Singh,Prashant Gupta,Akshay Soni,Rohit Joshi (2018). Capturing carbon dioxide from air by using Sodium hydroxide (CO2 Trapper).
  10. M Unep (2004). Air Pollution and Its Health Effects in China.
  11. (2016). Cost of Air Pollution, Washington: Strengthening the Economic Case for Action.

Funding

No external funding was declared for this work.

Conflict of Interest

The authors declare no conflict of interest.

Ethical Approval

No ethics committee approval was required for this article type.

Data Availability

Not applicable for this article.

How to Cite This Article

Suliman, A.E. 2026. \u201cDesign Prototype of Bio-filter to Treatment of Carbon Dioxide Gas Exhausts\u201d. Global Journal of Science Frontier Research - H: Environment & Environmental geology GJSFR-H Volume 22 (GJSFR Volume 22 Issue H4).

Download Citation

Highly effective bio-filter prototype for CO2 exhaust treatment in environmental research.
Journal Specifications

Crossref Journal DOI 10.17406/GJSFR

Print ISSN 0975-5896

e-ISSN 2249-4626

Keywords
Classification
GJSFR-H Classification DDC Code: 665.7 LCC Code: TN884
Version of record

v1.2

Issue date
August 8, 2022

Language
en
Experiance in AR

Explore published articles in an immersive Augmented Reality environment. Our platform converts research papers into interactive 3D books, allowing readers to view and interact with content using AR and VR compatible devices.

Read in 3D

Your published article is automatically converted into a realistic 3D book. Flip through pages and read research papers in a more engaging and interactive format.

Article Matrices
Total Views: 1577
Total Downloads: 50
2026 Trends
Related Research
Our website is actively being updated, and changes may occur frequently. Please clear your browser cache if needed. For feedback or error reporting, please email [email protected]

Request Access

Please fill out the form below to request access to this research paper. Your request will be reviewed by the editorial or author team.
X

Quote and Order Details

Contact Person

Invoice Address

Notes or Comments

This is the heading

Lorem ipsum dolor sit amet, consectetur adipiscing elit. Ut elit tellus, luctus nec ullamcorper mattis, pulvinar dapibus leo.

High-quality academic research articles on global topics and journals.

Design Prototype of Bio-filter to Treatment of Carbon Dioxide Gas Exhausts

Suliman
Suliman
G.E.M. Nasr
G.E.M. Nasr
M.A. Baiomy
M.A. Baiomy
H.M. Ahmed
H.M. Ahmed

Research Journals