The low thermal stability of cellulose presents unique technological challenges to the formulation of wood and plastic composites that are compatible and processable. For this, hydrothermal modification is a well-established technology for improving dimensional stability and durability of wood’s components, in addition to providing better interaction with the polymer. This study produced polymer composites in which hydrothermally treated wood waste fibers (WT) reinforce a recycled polypropylene (RPP) matrix. Wood waste fibers were selected by grain size and distribution, treated hydrothermally, and characterized by SEM, ATR-FTIR, and water sorption. Composites were produced varying the reaction time of treatment hydrothermal (from 30 to 180 minutes), granulometric size (from 425 to 1400 μm) and percentage of WT (from 10 to 20%), following a 2³ full-factorial experimental design, by extrusion with internal recirculation and the mechanical test specimens were modulated by injection. Tensile, flexion, IZOD impact and water sorption tests were statistically analyzed. Reaction time was the most statistically significant factor.
## I. INTRODUCTION
Environmental preservation is a crucial area in academia and industry, as both sectors can benefit from processes that recycle and reuse waste. [1,2]. Proper management of waste disposal and reuse protects the environment and allows sustainable product development [3]. In accordance with Abioplast, the global average consumption of plastics has reached 35 Kg/inhabitant in the last two years [4]. The increase in plastic consumption creates a significant challenge for proper waste disposal.
Most plastics are non-biodegradable polymers. Because of their low cost and versatility, plastics are consumed increasingly in urban areas. Plastic materials used in food packaging have specific thermophysical characteristics and are classified as thermoplastics or thermosetting polymers [5,6].
Thermoplastic materials are usually to form composites; each polymer has unique advantages and disadvantages. Polypropylene (PP) is a versatile semicrystalline thermoplastic for general use. Its principal characteristics are high resistance to flexural ruptures, high resistance to chemicals and solvents, good electrical properties, good thermal stability, a low specific weight $(0,905\mathrm{g/cm}^3)$, and low cost [5,7]. Thermoplastic polymers are fused via heating and solidified by cooling in a reversibly process. They are soft and pliable due to weak van der Waals forces, allowing reversibility [8].
Polymeric materials are prized as matrices that conform at low temperatures and pressure; however, they possess lower mechanical resistance than metallic and ceramic materials [9]. In the face of the global environmental scenario, the appeal for alternative reinforcement fibers has been growing. Natural fibers have revealed several economic and sustainable development advantages, mainly due to their characteristics, which include excellent mechanical properties, low cost, low density, low abrasiveness, ease of processing, abundance and biodegradability[10]. Fibers obtained from Agave sisalana (Sisal)[11], Sansevieria cylindrica (Saint George's Spear)[12], Agave tequilana (Blue Agave)[13], rice husk[14], sugarcane bagasse[15] and wood fiber[16] have shown promising results as reinforcement in composites, motivating the search for new species that show high potential as reinforcement.
Wooden residues, especially powder and bran, are primarily transported to rural areas, where they are used as ground cover or animal bedding. However, the storage and transportation of these materials is dangerous, as they are highly flammable and explosive [17]. Wood comprises cellulose, hemicellulose, lignin, and extractives in various proportions. The cellulose and hemicellulose components contain hydroxyl groups, making wood a hygroscopic material, which can expand the cellular wall and cause dimensional swelling [18]. Efforts have been made to improve the dimensional stability of wood and, consequently, that of the final products. However, is that the compounding of polymer matrix with the wood fiber often leads to weak mechanical properties of the composites, which are tensile, impact strengths and elongation at break. The poor mechanical properties of composites can be attributed to the low compatibility between the polar hydrophilic wood fiber and the non-polar hydrophobic polypropylene, with weak interfacial adhesion and the low dispersion of wood fiber in the polypropylene matrix due to strong interactions between of the fiber, resulting from hydrogen bonding [16].
In industry, thermal treatment is used most often to modify the characteristics of wood in order to improve dimensional stability [15]. This technique involves exposing wood to different factors, such as temperature, time, pressure, and work conditions, enhance the quality of wood for specific applications. Thermal treatment changes wood's physical, chemical, and mechanical properties due to the degradation of its principal chemical components [20].
CARVALHO (2015) studied the hydrothermal treatment of wood panels and observed the degradation of some chemical constituents, specifically mannans, xylans, and arabinanas, which caused acidification and loss of mass; this resulted in a consequent decrease in swelling, but did not negatively influence the quality of the panel [18]. Hydrothermal treatment stands out among the various treatments for fiber surfaces since it does not modify the chemical composition of the fibers. Hydrothermal treatment employs different reactions (extraction, hydrolysis, carbonization, liquefaction) at various temperatures, between $100 - 374^{\circ}\mathrm{C}$ [21]. Hydrothermal treatments do not require acid; consequently, reactors are not required to be highly resistant to corrosion, reducing the cost of this process[22].
Herein, we describe the incorporation of hydrothermally treated wood fiber into wood and plastic composites. The treated wood fibers replace polymer matrices in recycled polypropylene to improve the composites' mechanical properties for their use in residential and commercial construction.
## II. EXPERIMENTAL
### a) Materials
Solid wood waste shavings (WW) extracted from Pinus and Eucalyptus woods, provided by Madereira Altônia located in Maringá, Paraná, Brazil, were collected, dried in an oven at $60^{\circ}\mathrm{C}$ for 24 hours, and triturated in a TROPP electric crusher (model TRF
750. with motor speed of $60\mathrm{Hz} / 3600\mathrm{rpm}$, equipped with 20 hammers and 2 knives. For the matrix phase, recycled polypropylene (RPP) was supplied by Plaspet Reciclagem Maringa LTDA ME from Maringá, Paraná, Brazil.
### b) Characterization of Recycled Polypropylene
Recycled polypropylene sample, compression molding to 350mm diameter and 190mm thickness, was characterized by X-ray diffraction (XRD) using a Shimadzu XRD-7000 X-ray diffractometer equipped with a Cu Kα radiation source ( $\lambda = 1.5406 \, \text{\AA}$ ) over the 2θ range 5–60° at a scan rate of 1°/min. Differential Scanning Calorimetry (DSC) was recorded on a DSC Q20 thermal analyzer from TA Instruments under a nitrogen flow atmosphere at 50 mL/min, with a heating rate of 10°C/min, over the range 40–220°C, used approximately 10 mg of the rPP slivers.
### c) Hydrothermal Treatment and Characterization of Wood Waste
Wood waste was hydrothermally treated (WT) at $180^{\circ}\mathrm{C}$ in a Teflon-coated stainless steel autoclave (100 mL) using 3g of WW and 80 mL of deionized water. After the reaction time (30, 60, 120, 180, and 240 minutes) elapsed, the sample was dried at $100^{\circ}\mathrm{C}$ for 24h.
Wood waste was analyzed before and after hydrothermal treatment by Scanning Electron Microscopy (SEM) using an FEI QUANTA 250 with $5000 \times$ magnification. Attenuated Total Reflectance - Fourier Transform Infrared Spectroscopy (ATR-FTIR) was performed on a Bruker Vertex 70v FTIR spectrometer fitted with a Platinum ATR single reflection diamond ATR module. Spectra were collected from 4000 to $600 \, \text{cm}^{-1}$, with $4 \, \text{cm}^{-1}$ resolution and 32 scans. Free hydroxyl groups (Free-OH) and lignin degradation were determined for the peak ratios /3340/1029 and /1734/1029, respectively [23]. Water Sorption (WS) was performed at $75.3 \pm 0.2\%$ relative humidity with sodium chloride, following the ASTM-E-104 standard, for $78 \, \text{h}$ at $25^{\circ} \text{C}$. Tangential swelling (SW) measurements were obtained with an electronic digital caliper to within 300 mm; the tangential thickness of the WS test specimens was measured before and after treatment. The statistical influences of Free-OH, lignin degradation, WA, and TS in wood wastes before and after hydrothermal treatment were analyzed using one-way analysis of variance (ANOVA), followed by Tukey's test at a significance level $5\%$.
### d) Composite RPP/WT Experiments
Treated wood waste was mixed with a recycled polypropylene matrix according to the compositions in 23 full-factorial experimental designs with a central point (Table 1); reaction time, granulometric size distribution, and WT percentage were varied. All tests were performed in duplicate, and the response variance of each assay was used to estimate the overall variance of individual responses. The statistical data used in response to the mechanical properties were obtained
from IZOD traction and impact tests using the Design-Expert® software.
Table 1: Factors and levels used in 23 full-factorial experimental designs with a central point
<table><tr><td>Factor</td><td>Name</td><td>Units</td><td>Type</td><td>Level (-1)</td><td>Level (0)</td><td>Level (+1)</td></tr><tr><td>A</td><td>Reaction time</td><td>minutes</td><td>Numeric</td><td>30</td><td>105</td><td>180</td></tr><tr><td>B</td><td>Granulometric</td><td>μm</td><td>Numeric</td><td>425–610</td><td>710-850</td><td>850–1400</td></tr><tr><td>C</td><td>WT percentage</td><td>%</td><td>Numeric</td><td>10</td><td>15</td><td>20</td></tr></table>
### e) Preparation of Composites
The samples were processed in a Thermo Scientific HAAKE MiniLab II Rheomex CTM 5 twin-screw extruder at $190^{\circ}\mathrm{C}$ at 60 rpm for 5 min with internal recirculation. Mechanical test specimens were processed in an injection machine (Thermo Scientific HAAKE MiniJet II) with a cannon temperature of $210^{\circ}\mathrm{C}$, mold temperature of $40^{\circ}\mathrm{C}$, injection pressure of 450 bar, injection time of 15s, repression pressure of 300 bar, repression time of 30s.
### f) Characterization of Composites
Tensile strength tests were conducted following ASTM D638 using an EMIC DL10000 machine at 20mm/min crosshead speed, using specimens (dogbone shape) with dimensions 16.15 mm x 3.25 mm x 3.25 mm. Flexural strength was measured according to ASTM D790 - 00 on a universal Lloyd machine (Instruments LR 10K plus model) using a crosshead speed of 20 mm/min. Specimens were prepared with dimensions of 84.00 mm x 12.66 mm x 3.25 mm. Izod impact strength measurements were conducted according to ASTM D256 - 02A using CEAST equipment (Resil Impactor Junior) with rectangular samples measuring 84.00 mm x 12.65 mm x 3.25 mm that were fractured by a test pendulum with a load (impact action) of 2.75 J. Water absorption was measured following ASTM D570; before testing, the specimens (20.00 mm diameter and $5.00 \mathrm{~mm}$ thickness) were dried at $60^{\circ} \mathrm{C}$ for $24 \mathrm{~h}$, then immersed in distilled water for three weeks at $23 \pm 2^{\circ} \mathrm{C}$. All properties were tested using five samples for each group.
## III. RESULTS AND DISCUSSION
### a) Characterization of Recycled Polypropylene
The X-ray diffraction patterns obtained for RPP are shown in Figure 1a. Peaks observed at $2\theta = 14.1$, 16.8, 18.5, and $21.4^{\circ}$ correspond to the (110), (040), (130), and (131) planes of isotactic polypropylene, respectively [24-26]. A peak confirms the presence of syndiotactic polypropylene at $25.4^{\circ}$ [24]. High-density polyethylene (HDPE) exhibits lower intensity peaks at 23.7, 29.4, and $36.1^{\circ}$, which correspond to the (200), (210), and (020) reflection planes in the typical orthorhombic unit cell structure [27,28]. Compatibility of the recycled polymers increases the amorphous halo, indicating good dispersion of the components throughout the amorphous phase and decreasing the crystallinity [25]. Polypropylene and high-density polyethylene are considered semi-crystalline thermoplastics, as they have crystalline (ordered) and amorphous (disordered) domains. The recycled polymers tend to become fragile materials, reducing their deformation at rupture and impact resistance [29].
 (a)
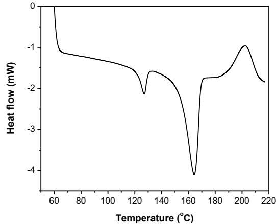
 (b) Figure 1: (a) X-ray diffractogram (b) DSC curve of the RPP
The DSC curve of RPP, shown in Figure 1b, exhibits two melting temperature (Tm) peaks at approximately $127^{\circ}\mathrm{C}$ and $164^{\circ}\mathrm{C}$, corresponding to high-density polyethylene and polypropylene, respectively; and one exothermic transition at approximately $202^{\circ}\mathrm{C}$, related to recycling additive compounds [24,28,30,31]. Generally, post-consumer polypropylene contains contaminants; in this case, the sample contains polyethylene [2]. Contamination is a byproduct of density-based separation used at recycling facilities since polypropylene and polyethylene have very similar densities [24]. The two endothermic transitions on the thermograph indicate that PP and HDPE co-exist and imply decreased compatibility between the polymers [31]. The exothermic event suggests the presence of a recycling additive, a compatibilizer agent, which serves as a polymer surfactant with low surface tension that promotes interfacial adhesion between different phases in a polyblend [32]. Polymers when melted, peak endothermic, in the manufacture of composites directly affect crystallinity, as a consequence of their mechanical, thermal and optical properties [33]. This first-order thermal event is necessary for the fusion and incorporation of reinforcement, such as fibers. The exothermic peak is the thermal event in which recrystallization or curing of the polymer occurs, promoting the formation of a crystalline nucleus in the sample[33].
### b) Characterization of Wood Waste
Scanning electron micrographs of the untreated and hydrothermally treated wood waste fibers are presented in Figure 2. The control fiber demonstrates a well-defined wood structure, with continuous fibers exhibiting a large, ordered surface along its length. During hydrothermal treatment, the surface area increases due to gaps formed in the lignocellulose structure on the surface of the fibers. This results in a vitreous and brittle appearance with depolymerization and solubilization from lignin and hemicellulose [31,32,34]. Throughout the reaction, sample deformation becomes visible with the formation of small holes in the surface [32]. The ray cells along the tangential direction of the wood retain their shape, but small cracks appear in the middle of the lamella [35]. Large cavities or cracks are observed along the fibers transverse section [34]. The formation of intercellular spaces can be attributed to the disruption of ray cells with thin cell walls by gases released as extractives degrade during the drying phase; this process is hampered by the lignins present in Eucalyptus wood [34].





 Figure 2: SEM images of wood waste non-treated, (a) control, and treated, (b) WT30, (c) WT60, (d) WT120, (e) WT180, and (f) WT240
Infrared spectra of the untreated and hydrothermally treated wood fibers display characteristic absorption signals for lignin and cellulose structures, as shown in Figure 3. The major absorption bands are associated with the vibrational stretch of the OH bond at $3336~\mathrm{cm}^{-1}$ [34,35]. Lignin is confirmed by the absorption signal at $1734~\mathrm{cm}^{-1}$, corresponding to $\mathsf{C} = \mathsf{O}$ ketone vibrational stretches [35,36]. The reference absorption band at $1031~\mathrm{cm}^{-1}$ corresponds to C-O cellulose binding, a highly stable structure to thermal and chemical treatments [23].
 Figure 3: ATR-FTIR spectra of wood waste non-treated (Control) and treated (WT) at different times
ATR-FTIR analysis was used to study the relationship between stable absorption bands and bands modified by hydrothermal treatment. The assignments of the absorption bands observed in the infrared spectra of the main functional groups are presented in detail in Table 2. After hydrothermal treatment, the I3338/1031 ratio tends to decreases, confirming the loss of free hydroxyl groups (-OH free) on the WT surface. In general, wood fibers subjected to longer reaction times (over 120 min) exhibited a reduction in hydrophilic character. The decrease in I1734/1031 also corresponds to a decrease in the lignin ketone groups. This decrease may result from the decomposition of lignin at prolonged reaction times (over 180 min) since lignin is known to have more excellent thermal stability for hydrothermal processes than cellulose [37]. The results demonstrate increased hydrophobic character and lignin degradation with increasing reaction time. These fiber modifications facilitate a more comprehensive study of the affinity between wood fibers and recycled polymer.
Table 2: Chemical and physical properties of wood waste
<table><tr><td>Sample</td><td>Peak (I3336/1021)</td><td>ratio</td><td>Peak ratio (I1734/1031)</td><td>Water sorption* (%)</td><td>Tangential (%)</td><td>sweeling*</td></tr><tr><td>Control</td><td>0.956</td><td></td><td>0.242</td><td>10.617 ± 0.098a</td><td>74.6 ± 4.6a</td><td></td></tr><tr><td>WT30</td><td>0.976</td><td></td><td>0.240</td><td>10.188 ± 0.067b</td><td>56.6 ± 2.5b</td><td></td></tr><tr><td>WT60</td><td>0.925</td><td></td><td>0.225</td><td>9.685 ± 0.128c</td><td>42.2 ± 3.8c</td><td></td></tr><tr><td>WT120</td><td>0.877</td><td></td><td>0.236</td><td>8.993 ± 0.138d</td><td>37.4 ± 1.8c</td><td></td></tr><tr><td>WT180</td><td>0.891</td><td></td><td>0.158</td><td>7.407 ± 0.072e</td><td>18.8 ± 3.9d</td><td></td></tr><tr><td>WT240</td><td>0.906</td><td></td><td>0.121</td><td>6.700 ± 0.034f</td><td>7.0 ± 2.2e</td><td></td></tr></table>
Water absorption and tangential swelling of wood fibers (shown in Table 2) reached equilibrium after 22h. Decreased water absorption percentage was observed with increasing treatment time; this corroborates spectral data indicating a decrease in the number of free hydroxyl groups on the surface of the wood fibers. The same trend was also observed with tangential swelling: decreased water absorption resulted in reduced sample swelling. This results from increased hydrophobicity of the wood fibers due to partial degradation of the cellulose and lignin molecules after hydrothermal treatment [19].
### c) Statistical Analysis of Composite RPP/WT
Responses for the strain (Y1), yield strength (Y2), Young's Modulus (Y3), impact strength (Y4), flexural strength (Y5), and water absorption (Y6) are shown in Table 3. A $2^{3}$ full-factorial design with four central points and one replicate, generating 20 total runs, was executed, and the factors for these responses were analyzed using statistical analysis Design Expert® software.
Table 3: Factors levels and responses for complete factorial design with four central points
<table><tr><td colspan="5">Factor</td><td colspan="5">Response</td></tr><tr><td>Run</td><td>A</td><td>B</td><td>C</td><td>Strain (MPa)</td><td>Yield Strength (Mpa)</td><td>Young's Modulus (Mpa)</td><td>Impact Strength (J/m)</td><td>Flexural Strength (MPa)</td><td>Water Absorption (%)</td></tr><tr><td>1</td><td>(+1)</td><td>(-1)</td><td>(+1)</td><td>24.315</td><td>23.625</td><td>936.154</td><td>45.736</td><td>38.216</td><td>0.920</td></tr><tr><td>2</td><td>(-1)</td><td>(-1)</td><td>(+1)</td><td>24.627</td><td>24.059</td><td>932.944</td><td>32.306</td><td>37.882</td><td>0.957</td></tr><tr><td>3</td><td>(-1)</td><td>(+1)</td><td>(-1)</td><td>22.727</td><td>21.275</td><td>652.237</td><td>35.746</td><td>33.072</td><td>0.465</td></tr><tr><td>4</td><td>(+1)</td><td>(-1)</td><td>(-1)</td><td>23.552</td><td>22.468</td><td>681.088</td><td>34.056</td><td>33.887</td><td>0.487</td></tr><tr><td>5</td><td>(-1)</td><td>(-1)</td><td>(-1)</td><td>24.339</td><td>22.830</td><td>711.690</td><td>46.101</td><td>35.680</td><td>0.475</td></tr><tr><td>6</td><td>(-1)</td><td>(+1)</td><td>(+1)</td><td>23.537</td><td>23.817</td><td>919.156</td><td>31.859</td><td>36.506</td><td>0.834</td></tr><tr><td>7</td><td>(0)</td><td>(0)</td><td>(0)</td><td>24.022</td><td>22.635</td><td>795.726</td><td>44.128</td><td>36.539</td><td>0.475</td></tr><tr><td>8</td><td>(+1)</td><td>(+1)</td><td>(+1)</td><td>22.344</td><td>22.111</td><td>727.958</td><td>30.028</td><td>34.596</td><td>0.758</td></tr><tr><td>9</td><td>(-1)</td><td>(-1)</td><td>(+1)</td><td>24.645</td><td>24.266</td><td>917.110</td><td>35.330</td><td>36.991</td><td>1.216</td></tr><tr><td>10</td><td>(-1)</td><td>(+1)</td><td>(+1)</td><td>23.645</td><td>23.004</td><td>922.100</td><td>30.404</td><td>36.796</td><td>0.731</td></tr><tr><td>11</td><td>(+1)</td><td>(+1)</td><td>(-1)</td><td>22.313</td><td>20.771</td><td>605.654</td><td>30.918</td><td>32.837</td><td>0.440</td></tr><tr><td>12</td><td>(0)</td><td>(0)</td><td>(0)</td><td>23.796</td><td>23.238</td><td>700.702</td><td>40.374</td><td>38.991</td><td>0.783</td></tr><tr><td>13</td><td>(+1)</td><td>(-1)</td><td>(-1)</td><td>23.641</td><td>22.559</td><td>690.824</td><td>34.861</td><td>33.567</td><td>0.451</td></tr><tr><td>14</td><td>(+1)</td><td>(-1)</td><td>(+1)</td><td>24.751</td><td>23.658</td><td>938.145</td><td>42.309</td><td>39.190</td><td>1.020</td></tr><tr><td>15</td><td>(0)</td><td>(0)</td><td>(0)</td><td>24.056</td><td>22.720</td><td>697.690</td><td>40.794</td><td>37.533</td><td>0.690</td></tr><tr><td>16</td><td>(-1)</td><td>(+1)</td><td>(-1)</td><td>22.740</td><td>21.294</td><td>652.076</td><td>33.120</td><td>35.649</td><td>0.389</td></tr><tr><td>17</td><td>(+1)</td><td>(+1)</td><td>(+1)</td><td>22.288</td><td>21.426</td><td>703.482</td><td>30.131</td><td>36.685</td><td>0.661</td></tr><tr><td>18</td><td>(0)</td><td>(0)</td><td>(0)</td><td>23.401</td><td>22.297</td><td>717.314</td><td>43.544</td><td>36.708</td><td>0.831</td></tr><tr><td>19</td><td>(-1)</td><td>(-1)</td><td>(-1)</td><td>23.530</td><td>22.816</td><td>717.884</td><td>45.998</td><td>36.228</td><td>0.554</td></tr><tr><td>20</td><td>(+1)</td><td>(+1)</td><td>(-1)</td><td>22.100</td><td>20.538</td><td>609.110</td><td>30.477</td><td>33.159</td><td>0.408</td></tr></table>
Table 4 shows the six estimated responses for the properties studied. The $p$ -value of the model was below 0.05, indicating a probability of less than $5\%$ of the null hypothesis. ANOVA verifies this low $p$ -value for all responses, shown in Supplementary Materials
(Appendix A), for which the models obtained have a $p$ -value less than 0.05. R-squared values close to 1.0 indicate that the model accurately predicts a fitting curve and adjusted $R^2$.
Table 4: Estimated parameters
<table><tr><td>Factor</td><td>Y1</td><td>Y2</td><td>Y3</td><td>Y4</td><td>Y5</td><td>Y6</td></tr><tr><td>Intercept</td><td>23.44</td><td>22.53</td><td>769.85</td><td>35.59</td><td>35.68</td><td>0.67</td></tr><tr><td>A</td><td>-0.28a</td><td>-0.39a</td><td>-33.30a</td><td>-0.77</td><td>-0.42</td><td>-0.030</td></tr><tr><td>B</td><td>-0.73a</td><td>-0.75a</td><td>-45.88a</td><td>-4.00a</td><td>-0.77a</td><td>-0.087a</td></tr><tr><td>C</td><td>0.33a</td><td>0.71a</td><td>104.78a</td><td>-0.82</td><td>1.42a</td><td>0.21a</td></tr><tr><td>AB</td><td>-0.17a</td><td>-0.18a</td><td>-29.12a</td><td>-0.42</td><td>-0.18</td><td>0.011</td></tr><tr><td>AC</td><td>-0.064</td><td>-0.15</td><td>-14.90a</td><td>3.06a</td><td>0.48</td><td>-0.018</td></tr><tr><td>BC</td><td>-0.084</td><td>0.097</td><td>-10.58</td><td>-0.16</td><td>-0.19</td><td>-0.054</td></tr><tr><td>ABC</td><td>-0.12</td><td>-0.100</td><td>-25.14a</td><td>-2.39a</td><td>-0.39</td><td>0.000125</td></tr><tr><td>R-Squared</td><td>0.9445</td><td>0.9510</td><td>0.9739</td><td>0.9521</td><td>0.8329</td><td>0.8763</td></tr><tr><td>Adj R-Squared</td><td>0.9091</td><td>0.9198</td><td>0.9573</td><td>0.9216</td><td>0.7265</td><td>0.7976</td></tr><tr><td>Pred R-Squared</td><td>0.8299</td><td>0.8508</td><td>0.9504</td><td>0.8825</td><td>0.5387</td><td>0.6631</td></tr><tr><td>p-Value</td><td><0.0001</td><td><0.0001</td><td><0.0001</td><td><0.0001</td><td>0.0015</td><td>0.0003</td></tr></table>
## i. Strain
From the strain data (Y1 response), all main factors (A, B, C, and the AB interaction) were statistically significant, as predicted by the estimation. Figure 4a shows the contour plot for strain, where the optimal conditions for the composite concerning condition Y1 can be determined. The interaction between the amount of wood fiber and reaction time (20% treated wood fiber for 30 min) produced the best results for strain since fibers treated for shorter times to preserve their structure, as seen in the SEM results. The fibers possess sufficient roughness for better interaction without gaps between the interface reinforcement and polymer [38,39].
 (a)
 (b)



 (c)
 (d)
 (e)
 (f) Figure 4: Surface contour response plot for (a) Strain, (b) Yield Strength, (c) Young's Modulus, (d) Impact Strength, (e) Flexural Strength and (f) Water Sorption
## ii. Yield Strength
Considering the values obtained for the yield strength, the statistically significant interactions were the main factors A, B, C, and AB interaction, based on estimated data. The contour plot in Figure 4b demonstrates the best conditions for the composite for condition Y2. The interaction between wood fiber percentage and reaction time exhibited the best results, with $20\%$ of wood waste treated for $30\mathrm{min}$. Preserving the fiber lamellae in WT/30 produced good adhesion to RPP, increasing the yield strength of plastic deformation [39,40].
## iii. Young's Modulus
The estimated parameters for Young's Modulus test indicate that all factors and interactions were statistically significant except for BC. Y3 values increase with WT percentage since adding fibers with greater stiffness causes increased stiffness in the composite, as shown in Figure 4c [41]. Young's Modulus values for the composite depend on the fibers' properties; a material's rigidity is determined when subjected to an external tensile stress [14,42]. Reaction time (B) also produced a significant effect, as low values of Y3 were observed for composites containing fibers treated for 180 min; that is, more significant elastic deformation occurred for these fibers [42]. Increased crystallinity is expected in fibers with higher reaction times; thus, hydrothermally treated fibers tend to form less amorphous structures, reducing the elastic characteristics of the material [19]. Hydrothermal treatment can also cause the appearance of carbon microspheres incompatible with the polymer, thus reducing its Young's Modulus values [43].
## iv. Impact Strength
Impact strength measurements highlight that the main factor B and the AC and ABC interactions were statistically significant, according to estimated data. The surface contour plot of impact strength is shown in Figure 4d; this value can be used to determine the best conditions for the formulation of the composite. The interaction between WT percentage and granulometric size indicated that the best formulations for impact resistance include $10\%$ treated wood fiber with a 425 $\mu \mathrm{m}$ particle size and $20\%$ treated wood fiber with a particle size of $1400~\mu \mathrm{m}$. The first formulation is favorable because wood fibers with low granulometry behave as hardening centers, blocking the propagation of cracks under impact [44]. In contrast, in the second formulation, the larger fibers bridge the cracks and increase crack propagation resistance by improving impact resistance [42].
## v. Flexural Strength
Estimated values from the flexural strength test indicate that only factors B and C were statistically significant. Figure 4e shows the surface contour plot, where the optimal conditions for the composite concerning Y5 can be observed. Interaction between wood fiber quantity and reaction time provided the best results for tensile strength, with $20\%$ wood fiber treated for $30\mathrm{min}$. In this work, we have shown that fibers treated for shorter times preserve their structures, as observed with SEM, presenting sufficient roughness for improved interaction without gaps between the interface reinforcement and polymer [38,39].
## vi. Water Sorption
Factors B and C were statistically significant from the water sorption estimated data. Figure 4f shows the surface contour plot where the optimal conditions for the composite to condition Y6 can be observed. The interaction between WT percentage and reaction time indicated higher water adsorption for the composite with $20\%$ wood fiber treated for $30\mathrm{min}$; composites with a more significant amount of fibers tend to absorb a greater amount of water [14]. In addition, fibers treated for less time preserve their structure, as observed in SEM; thus, these fibers can absorb more water than those treated for longer times [39].
## IV. CONCLUSION
Hydrothermal treatment of wood waste fibers results in intercellular spaces and degradation along the fibers that increase with reaction time to produce rough and highly porous WTs. Hydrophobicity of surface fibers and lignin degradation increase with reaction times exceeding 180 min. The mechanical properties of the RPP/WT composites indicate that reaction time (main factor B) was the most statistically significant. Fibers treated hydrothermally for 30 min obtained good adhesion with RPP since fiber lamellae were preserved and the polymer retained compatible porosity. WT percentage (main factor C) was statistically significant in all factors tested; the material's rigidity increased with the amount of fiber in the material.
One of the biggest advantages of the composites is the flexibility in preparation in relation to the composition rPP/WT, offering the possibility of producing materials with different final mechanical properties. The proposed recycling method has great chances of success, due to the low cost of the equipment used and the innovative and ecological factor, as well as the association of cooperatives to supply the recyclable material.
From these results, the polymer composite of recycled polypropylene and hydrothermally treated wood waste fibers possesses favorable mechanical properties, making it a promising construction material that benefits the economy and the environment. The composites can be used to produce a variety of materials, including domestic use such as buckets and bowls, as well as products for civil construction, for manufacturing pipes and floorings. So those materials to be developed, more research must be carried out to evaluate the degradation of materials over long periods of environmental exposure.
### ACKNOWLEDGMENTS
The authors thank the State University of Maringa (UEM), COMCAP-UEM, CAPES, and Brazil's National Council of Scientific and Technological Development (CNPq) for the scholarship concession (152453/2022-9) and financial support. We want to thank Editage (www-editage.com) for English language editing.



Generating HTML Viewer...
References
43 Cites in Article
Rafael Azambuja,Vinicius Castro,Rosilani Trianoski,Setsuo Iwakiri (2018). Recycling wood waste from construction and demolition to produce particleboards.
J Caraschi,A Leão (2008). Avaliação das propriedades mecânicas dos plásticos reciclados provenientes de resíduos sólidos urbanos.
José De La Casa,Juan Bueno,Eulogio Castro (2021). Recycling of residues from the olive cultivation and olive oil production process for manufacturing of ceramic materials. A comprehensive review.
Abiplast (2015). Perfil 2015 -Indústria Brasileira de Transformação de Material Plástico.
Behjat Tajeddin,Mina Arabkhedri (2020). Polymers and food packaging.
Ruilong Li,Na Wang,Zhuyu Bai,Shaopeng Chen,Jianbing Guo,Xiaolang Chen (2021). Microstructure design of polypropylene/expandable graphite flame retardant composites toughened by the polyolefin elastomer for enhancing its mechanical properties.
E Mano (1991). Polímeros como Materiais de Engenharia.
K Balani,V Verma,A Agarwal,R Narayan (2015). Physical, Thermal, and Mechanical Properties of Polymers.
H Zhou,W Li,X Hao,G Zong,X Yi,J Xu,R Ou,Q Wang (2022). Recycling end-of-life WPC products into ultra-high-filled, high-performance wood fiber/polyethylene composites: a sustainable strategy for clean and cyclic processing in the WPC industry.
H Majela,S Vitor,A Duarte,P Rodrigo,S Bittencourt,E Radovanovic,S Luciana (2021). Characterization of natural cellulosic fibers from Yucca aloifolia L. leaf as potential reinforcement of polymer composites.
Juliana Da Luz,Marcelo Losekann,Andressa Dos Santos,Jean Halison De Oliveira,Emerson Girotto,Murilo Moises,Eduardo Radovanovic,Silvia Fávaro (2019). Hydrothermal treatment of sisal fiber for composite preparation.
V Sreenivasan,N Rajini,A Alavudeen,V Arumugaprabu (2015). Composites: Part B Dynamic mechanical and thermo-gravimetric analysis of Sansevieria cylindrica/polyester composite: Effect of fiber length, fiber loading and chemical treatment.
Taneli Väisänen,Antti Haapala,Reijo Lappalainen,Laura Tomppo (2016). Utilization of agricultural and forest industry waste and residues in natural fiber-polymer composites: A review.
Ahmed El-Fattah,Abdel El Demerdash,Wagih Alim Sadik,Alaa Bedir (2015). The effect of sugarcane bagasse fiber on the properties of recycled high density polyethylene.
M Kazayawoko,J Balatinecz,L Matuana (1999). Surface modification and adhesion mechanisms in woodfiber-polypropylene composites.
Huanbo Wang,Xuefeng Zhang,Shiyu Guo,Tian Liu (2021). A review of coextruded wood–plastic composites.
Amélia Carvalho,Antonio Zanuncio,Benedito Vital,Angélica Carneiro,Carlos Da Silva,Gustavo Tonoli (2018). Hydrothermal treatment of strand particles of pine for the improvement of OSB panels.
Manuel Pelaez-Samaniego,Vikram Yadama,Eini Lowell,Raul Espinoza-Herrera (2013). A review of wood thermal pretreatments to improve wood composite properties.
Callum Hill,Michael Altgen,Lauri Rautkari (2021). Thermal modification of wood—a review: chemical changes and hygroscopicity.
S Yokoyama,Y Matsumura (2008). The Asian Biomass Handbook -A Guide for Biomass Production and Utilization.
Héctor Ruiz,Denise Ruzene,Daniel Silva,Mafalda Quintas,António Vicente,José Teixeira (2011). Evaluation of a hydrothermal process for pretreatment of wheat straw—effect of particle size and process conditions.
André Missio,Bruno Mattos,Pedro De Cademartori,Anderson Pertuzzatti,Bruno Conte,Darci Gatto (2015). Thermochemical and physical properties of two fast-growing eucalypt woods subjected to two-step freeze–heat treatments.
Guilherme Mantovani,Jean Oliveira,Andressa Santos,Andrelson Rinaldi,Murilo Moisés,Eduardo Radovanovic,Silvia Fávaro (2017). Mechanical recycling of tags and labels residues using sugarcane bagasse ash.
I Campoy,J Arribas,M Zaporta,C Marco,M Gómez,J Fatou (1995). Crystallization kinetics of polypropylene-polyamide compatibilized blends.
F Laoutid,E Estrada,R Michell,L Bonnaud,A Müller,P Dubois (2013). The influence of nanosilica on the nucleation, crystallization and tensile properties of PP–PC and PP–PA blends.
Fairouz Chouit,Ounassa Guellati,Skander Boukhezar,Aicha Harat,Mohamed Guerioune,Nacer Badi (2014). Synthesis and characterization of HDPE/N-MWNT nanocomposite films.
Jia-Horng Lin,Yi-Jun Pan,Chi-Fan Liu,Chien-Lin Huang,Chien-Teng Hsieh,Chih-Kuang Chen,Zheng-Ian Lin,Ching-Wen Lou (2015). Preparation and Compatibility Evaluation of Polypropylene/High Density Polyethylene Polyblends.
Beatriz Fernandes,Antonio Domingues (2007). Caracterização mecânica de polipropileno reciclado para a indústria automotiva.
M Luda,V Brunella,D Guaratto (2013). Characterisation of Used PP-Based Car Bumpers and Their Recycling Properties.
Fatih Mengeloglu,Kadir Karakus (2008). Thermal Degradation, Mechanical Properties and Morphology of Wheat Straw Flour Filled Recycled Thermoplastic Composites.
Raj Datta,Malcolm Polk,Satish Kumar (1995). Reactive Compatibilization of Polypropylene and Nylon.
H Da Costa,V Ramos,M De Andrade,Silva Da,P Richter Quintana Nunes (2016). Análise térmica e propriedades mecânicas de resíduos de polietileno de alta densidade (PEAD).
Tetsuo Kondo (1997). The assignment of IR absorption bands due to free hydroxyl groups in cellulose.
Asma El Oudiani,Slah Msahli,Faouzi Sakli (2017). In-depth study of agave fiber structure using Fourier transform infrared spectroscopy.
Hui Li,Siyuan Wang,Xingzhong Yuan,Yanni Xi,Zhongliang Huang,Mengjiao Tan,Changzhu Li (2018). The effects of temperature and color value on hydrochars’ properties in hydrothermal carbonization.
Valeria Laverde,Angie Marin,José Benjumea,Mauricio Rincón Ortiz (2022). Use of vegetable fibers as reinforcements in cement-matrix composite materials: A review.
June Fang,Lu Zhan,Yong Ok,Bin Gao (2018). Minireview of potential applications of hydrochar derived from hydrothermal carbonization of biomass.
S Georgopoulos,P Tarantili,E Avgerinos,A Andreopoulos,E Koukios (2005). Thermoplastic polymers reinforced with fibrous agricultural residues.
D Saheb,J Jog (1999). Natural fiber polymer composites: A review.
A Sanadi,D Caulfield,R Jacobson (1997). Agro-Fiber Thermoplastic Composites.
Ying Gao,Xian-Hua Wang,Hai-Ping Yang,Han-Ping Chen (2012). Characterization of products from hydrothermal treatments of cellulose.
No ethics committee approval was required for this article type.
Data Availability
Not applicable for this article.
How to Cite This Article
Andressa dos Santos. 2026. \u201cEnhancing Composite Performance: Hydrothermally Treated Wood Reinforcement in Recycled Polypropylene\u201d. Global Journal of Research in Engineering - A : Mechanical & Mechanics GJRE-A Volume 24 (GJRE Volume 24 Issue A2).
Explore published articles in an immersive Augmented Reality environment. Our platform converts research papers into interactive 3D books, allowing readers to view and interact with content using AR and VR compatible devices.
Your published article is automatically converted into a realistic 3D book. Flip through pages and read research papers in a more engaging and interactive format.
Our website is actively being updated, and changes may occur frequently. Please clear your browser cache if needed. For feedback or error reporting, please email [email protected]
Thank you for connecting with us. We will respond to you shortly.