The entropic and statistical method of the analysis (ESMA) allows calculating losses in different refrigeration plant components and comparing them to define the elements that need measures to increase their operation efficiency.This paper presents results of analysis of refrigeration plants at design stage to choose appropriated system at energy efficiency and ecological influence point of view. Refrigeration plant with three working temperature levels (evaporation temperature -10℃, -18℃, -32℃) for retail application was analyzed.The degree of thermodynamic efficiency was calculated. This result could not be achieved using a traditional method of comparison refrigeration systems by using a coefficient of performance (COP) or seasonal efficiency as an only efficiency criterion.
## I. INTRODUCTION
The entropic and statistical method of analysis allows determining work which is necessary to compensate entropy production because of irreversibility and disequilibrium of real processes in the system components in order to identify an element or process requiring an increase in efficiency.
The aim of the modernization of the existed refrigeration plant was to increase energy efficiency and to use refrigerant with less global warming potential (GWP).
## II. ENTROPIC AND STATISTICAL ANALYSIS
Refrigeration plant is located in Moscow and has three working temperature levels:
1. Evaporation temperature -10 °C, cooling capacity 264.4 kW;
2. Evaporation temperature -18 °C, cooling capacity 15.7 kW;
3. Evaporation temperature -32 °C, cooling capacity 55.9 kW;
As a duty cycle, a single-stage compression cycle with a single throttle was used. One refrigeration unit for evaporation temperature -10 °C and one refrigeration unit for evaporation temperatures -18 °C and -32 °C. The refrigerant was R404A.
For analysis, the following main dependencies were used:
### 1. Specific mass cooling capacity at evaporation temperature
$$
q_{o}^{tot} = \underset{i=1}{\overset{3}{\mathbf{a}}} \left(q_{oi}^{\prime} g_{i}\right) \tag{1}
$$
where $q_{0i}$ - is the specific mass cooling capacity at the i temperature level; $g_i$ - is the specific mass flow rate at the i temperature level.
The specific mass flow rate at the i temperature level is defined as the ratio of the mass flow rate $G_{i}$ [kg/s] at the i temperature level to the mass flow rate $G_{l}$ [kg/s] of the lowest temperature level.
$$
g _ {i} = \frac {G _ {i}}{G _ {l}} \tag {2}
$$
#### 2. Minimum specific work which is necessary for cold generation (electric power)
$$
l_{min}^{tot} = \sum_{i=1}^{3} \left(l_{\min i} \times g_{i}\right) \tag{3}
$$
where $l_{\min i}$ - minimum specific work (electric power) for generating cold at $i$ temperature level.
#### 3. Adiabatic compression work
$$
l _ {s} ^ {\text{tot}} = \sum_ {i = 1} ^ {3} \left(l _ {s _ {i}} \times g _ {i}\right) \tag{4}
$$
- where $l_{s_i}$ - adiabatic compression work at i temperature level.
4. Actual specific compression work
$$
l_{comp}^{tot} = \sum_{i=1}^{3} \left(l_{comp_i} \times g_i\right)\tag{5}
$$
where $l_{comp_i}$ - actual specific compression work at i temperature level.
#### 5. Degree of thermodynamic efficiency
$$
\eta_ {\text{therm}} ^ {\text{tot}} = \frac{l _{min} ^ {\text{tot}}}{l _ {\text{comp}} ^ {\text{tot}}} \tag{6}
$$
#### 6. COP at adiabatic compression
$$
\varepsilon_ {S} ^ {\text{tot}} = \frac{q _ {O} ^ {\text{tot}}}{l _ {S} ^ {\text{tot}}} \tag{7}
$$
#### 7. Actual value of COP
$$
\varepsilon_{act}^{tot} = \frac{q_{o}^{tot}}{l_{comp}^{tot}} \tag{8}
$$
Part of compression work, which is necessary for entropy production compensation in condenser (if there are separate condenser for each operating temperature level):
$$
\Delta l _ {c o n d} ^ {t o t} = \sum_ {i = 1} ^ {3} \left(\Delta l _ {c o n d i} \times g _ {i}\right) \tag {9}
$$
where $\Delta l_{cond_i}$ - actual specific work, which is necessary for entropy production compensation in condenser at i temperature level.
Part of compression work, which is necessary for entropy production compensation in throttling process.
$$
\Delta l_{thr}^{tot} = \sum_{i=1}^{3} \left(\Delta l_{thr i} \times g_{i}\right) \tag{10}
$$
where $\Delta l_{thr}$ - actual specific work, which is necessary for entropy production compensation in throttling process at i temperature level.
Part of compression work, which is necessary for compensation of entropy production in heat transferring processes from cooling object to refrigerant (evaporation):
$$
\Delta l _ {e v a p} ^ {t o t} = \sum_ {i = 1} ^ {3} \left(\Delta l \times g _ {i}\right) \tag {11}
$$
where $\Delta l_{evap_i}$ - actual specific work, which is necessary for entropy production compensation in heat transferring processes at i temperature level.
Estimated value of the adiabatic compression work is calculated:
$$
l _ {s. c a l c} ^ {\text{tot}} = l _{min} ^ {\text{tot}} + \Delta l _ {\text{cond}} ^ {\text{tot}} + \Delta l _ {\text{thr}} ^ {\text{tot}} + \Delta l _ {\text{evap}} ^ {\text{tot}} + \Delta l _ {\text{other}} ^ {\text{tot}} \tag{12}
$$
where $\Delta l_{\text{other}}^{\text{tot}}$ - losses in other processes (overheating, mixing, etc.)
Energetic Losses in Compressor:
$$
\Delta l _ {c o m p} ^ {t o t} = l _ {c o m p} ^ {t o t} - l _ {s. c a l c} ^ {t o t} \tag {13}
$$
Rated Compression Work:
$$
l _ {\text{comp . calc}} ^ {\text{tot}} = l _ {\text{s . calc}} ^ {\text{tot}} + \Delta l _ {\text{comp}} ^ {\text{tot}} \tag{14}
$$
The results of the calculation of losses by system elements in percent $(\%)$ of the actual compression work expended are shown in Table 1. The results of the calculation of performance indicators are shown in Table 2.
Table 1: The Results of the Calculation of Losses by Elements of the System in% of the Actual Compression Work
<table><tr><td></td><td>System 1</td><td>System 2</td><td>System a 3</td><td>System 4</td></tr><tr><td>Compressor</td><td>31,45</td><td>30,04</td><td>36,41</td><td>35,89</td></tr><tr><td>Condenser</td><td>13,98</td><td>14,01</td><td>13,05</td><td>15,29</td></tr><tr><td>Throttling</td><td>24,82</td><td>18,77</td><td>15,17</td><td>14,62</td></tr><tr><td>Economizer</td><td>-</td><td>1,98</td><td>-</td><td>-</td></tr><tr><td>Evaporator-condenser</td><td>-</td><td>-</td><td>1,15</td><td>1,38</td></tr><tr><td>Evaporator</td><td>6,86</td><td>7,97</td><td>9,63</td><td>8,52</td></tr></table>
Table 2: Performance Indicators of the Systems under Consideration
<table><tr><td></td><td>System 1</td><td>System 2</td><td>System 3</td><td>System 4</td></tr><tr><td>ηthermtot</td><td>0,23</td><td>0,27</td><td>0,25</td><td>0,25</td></tr><tr><td>εacttot</td><td>1,74</td><td>1,97</td><td>2,49</td><td>2,50</td></tr></table>
During the analysis of the existing refrigeration system (System 1), it turned out that part of compression work, which is necessary for entropy production compensation in throttling process is on second place after energetic losses in compressor.
To reduce losses during throttling, it was decided to use separate refrigeration units for evaporation temperatures $-18^{\circ}\mathrm{C}$ and $-32^{\circ}\mathrm{C}$. The operating cycle was also changed to a cycle with an economizer with R404A as refrigerant (System 2). These measures allowed to reduce losses during throttling by $24.38\%$, increase the COP by $11.68\%$ and the degree of thermodynamic efficiency by $14.81\%$ (Table 2).
To reduce the negative impact to the environment, it was decided to use R744 as refrigerant.
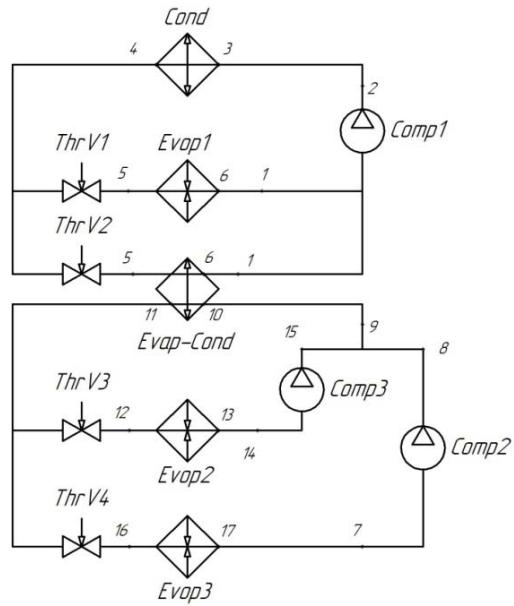
The most efficient cycle with R744 for similar applications is a cascade refrigeration system with R134a in the high cascade stage and R744 in the low cascade stage [2]. To increase efficiency, this unit was designed with separate compressors for evaporation temperatures of -18 °C and -32 °C (System 3). The schematic diagram of System 3 is shown on Fig. 1. The results of the analysis showed a decrease compression work which is necessary for entropy production compensation during throttling processes by 38.88% and an increase the COP by 30.12% compared to System 2.
 Figure 1: Schematic diagram of the System 3. Comp1, Comp2, Comp3 - compressors; Evap1, Evap2, Evap3 - evaporators; Cond - condenser, ThrV1, ThrV2, ThrV3, ThrV4 - throttle valves; Evap-Cond - evaporator-condenser.
To reduce negative impact to the environment it was offered to use R450A instead of the R134a (System 4). According to the results of the analysis, the performance indicators of a cascade refrigeration plant with R450A in the high cascade stage are at a comparable level with System 3, and the GWP of the refrigerant R450A is lower than R134a (601 versus 1300).
The results of the analysis are shown on Fig. 2.
## III. CONCLUSIONS
1. The application of the entropic and statistical method of the analysis allows to determine
- energylosses in the elements of the system and take measures to increase the efficiency at the design stage;
2. To increase the efficiency of refrigeration systems, it is necessary to reduce part of compression work, which is necessary for entropy production compensation in throttling process, for example, by using cycle with an economizer, cascade cycle or alternative refrigerant;
3. The COP of a cascade refrigeration system with separate compressors for evaporation temperatures -18 °C and -32 °C exceeds COP of refrigeration system operating on a single-stage compression
cycle with a single throttling and two refrigeration units (one unit for evaporation temperature $-18^{\circ}\mathrm{C}$, one for evaporation temperature $-18^{\circ}\mathrm{C}$ and $-32^{\circ}\mathrm{C}$ ) by $30.4\%$, the degree of thermodynamic efficiency exceeds the same value by $8\%$;
4. R450A refrigerant is a full replacement of R134a refrigerant in the high cascade stage due to comparable performance indicators (COP and degree of thermodynamic efficiency) and a lower value of the GWP.
 Figure 2: Comparison of Energy Losses by System Components in% of the Actual Compression Work Expended.
Generating HTML Viewer...
References
5 Cites in Article
M Sarach,E Sarach,A Zaharov (2014). Bench testing of electric motors Emrax 208, 228.
A Arkharov,V Shishov (2014). Analysis of lowtemperature refrigeration cycles using the entropy and statistical analysis.
A Arkharov,V Semenov,S Krasnonosova (2016). An Entropy-Statistical Analysis of a Natural Gas Liquefaction Plant with External Nitrogen Cooling Cycle.
D Gareeva,N Lavrov (2016). Entropy production and exergy loss during mixing of gases.
A Arkharov,V Semenov (2016). Analysis of Thermodynamic Efficiency of Small-Scale Natural Gas Liquefying Plant Operating on Medium-Pressure Cycle.
No ethics committee approval was required for this article type.
Data Availability
Not applicable for this article.
How to Cite This Article
Talyzin Maksim Sergeevich. 2026. \u201cEntropic and Statistical Analysis of Refrigeration Plants for Retail Application at Design Stage\u201d. Global Journal of Research in Engineering - A : Mechanical & Mechanics GJRE-A Volume 23 (GJRE Volume 23 Issue A4).
Explore published articles in an immersive Augmented Reality environment. Our platform converts research papers into interactive 3D books, allowing readers to view and interact with content using AR and VR compatible devices.
Your published article is automatically converted into a realistic 3D book. Flip through pages and read research papers in a more engaging and interactive format.
Our website is actively being updated, and changes may occur frequently. Please clear your browser cache if needed. For feedback or error reporting, please email [email protected]
Thank you for connecting with us. We will respond to you shortly.