This paper provides a general overview regarding shadowing pathologies that have been observed on diaphragm walls after excavation. This phenomenon, also termed mattressing by the European Federation of Foundation Contractors and the Deep Foundation Institute, on wall panels, as its name suggests, is the imprint of the reinforcement cage in the concrete block. While some mattressing is not necessarily evaluated as defect, durability issues put at risk the integrity of the structure. In some cases, the steel reinforcing bars are directly exposed to the open air, promoting corrosion phenomena, and thus harming the entire structure. Upon investigating the preliminary findings of the scientific literature, this article has defined the factors that are likely to affect the occurrence of these anomalies. These factors may be divided into three main families: diaphragm wall components, executed techniques during construction, and interactions between the components throughout the different construction stages. Recommendations presented by previous studies are also discussed.
## I. INTRODUCTION
The diaphragm wall technique, which has been around since the early 1960s, involves in creating reinforced concrete walls in the ground. It is an operation that avoids the risk of soil destabilization by fulfilling the function of a retaining wall. The waterproof wall can also act as a vertical support element making of it another type of foundation. Due to this dual function, its field of application is seen in both building and public works (metro stations, car parks, covered trenches).
The construction of a diaphragm wall is executed in panels. A typical panel length is 4 to $7\mathrm{m}$ depending on several aspects like the dimensions of the drilling tool and the maneuverability of the reinforcement cage, as well as the quantity of concrete to be delivered on site. The thickness varies between 0.5 and $3\mathrm{m}$, and walls deeper than $50\mathrm{m}$ are very rare. Excavations are carried out until the designed depth is reached and the panel is consequently formed by placing the reinforcement cage and then pouring the concrete in the trench continuously stabilized under a support fluid consisting of a drilling slurry. Once the concrete has hardened, excavations within the now concrete-wall-enclosed area can proceed.
In some cases, as the soil from one side of the structure in the newly open area is being removed, imperfections on some concrete panels may appear. One type of defects would then be shadowing pathologies. The reinforcements of these walls are sometimes visible, which causes structural (reduction in panel cross sectional area), aesthetic (rebar exposure) and durability (accelerated corrosion) problems. The additional cost of correcting the work becomes potentially very important in terms of time and money [1] and makes this problem an essential issue for the profession.
## II. PHYSICAL PHENOMENA
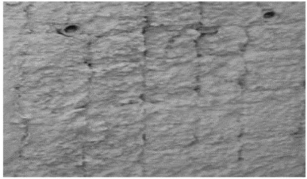
Shadowing pathologies or Mattressing also referred to as « Honeycombs » or « Quilting » are defined as imperfections observed on both pile and panel surfaces after planing operations. Vertical and horizontal linear features arise on the concrete wall along the reinforcement cage while materials other than concrete may be trapped in the shadow of the reinforcing bars. In some cases, this phenomenon is widely spread all over the diaphragm wall, that it could be considered as the imprint of the reinforcement cage on the concrete block. While some mattressing (Figure 1 & 2) is not necessarily evaluated as defect since it does not have any impact on the bearing capacity [2], accelerated corrosion phenomena put at risk the durability of the structure [3]. Besides the fact that cover thickness is reduced, the event becomes further critical if the steel rebars are directly exposed. In the absence of sufficient concrete cover, the necessary protection (barrier) for steel rebars against oxygen, moisture and chlorides is no longer provided [4], hence the effect of the shadowing pathologies on the structural service life of diaphragm walls. There are varying degrees of mattressing where ones can be more dangerous than others. Most of the time, excavations take place only from one side of the wall whereas the other side remains in direct contact with the soil. Thus, if visible defects (Figure 3) regardless of their degree of occurrence can be identified and repaired, there are still interrogations on the quality of the non-excavated and non-planed wall surfaces.
 Figure 1: Mattressing [5]
 Figure 2: Mattressing [8]
The formation of this type of pathology may depend on several mechanisms until now poorly identified. If some [5] are associating the mattressing phenomena with restricted concrete flow or a dense reinforcement, Carter [6] might relate it to borehole stability and moisture content of the surrounding soil.
To better understand the problem of imperfections on diaphragm walls, a general overview regarding previous studies is established. Hence, this paper defines the present status concerning "shadowing pathologies". The purpose of this work is to reveal different points of failure highlighted by several investigations allowing to underline the probable causes of the disorders.
 Figure 3: Panels with exposed rebars [9]
## III. GENERAL INTERPRETATION
Several reasons can lead to the occurrence of shadowing pathologies. Factors that can be found in the literature may be divided into three main families:
- Diaphragm wall components
- Executed Techniques during construction
- Interactions between the components throughout the different construction stages.
In the following sections, the general concept of each family will be described as well as some underlined items of interest that might contribute directly or indirectly to the existence of the pathology.
### a) Diaphragm Wall Components
The aim of the proposed investigation is to study specifically all the parameters that are involved when diaphragm wall panels are being built. Multiple elements could be influential: the soil, with its physical and hydraulic activities, drilling slurry characteristics before concreting, the quality of the rebars and concrete with its rheological behaviors but also its physical - chemical and mechanical properties.
## i. Soil
Nowadays, it is possible to complete diaphragm walls technique in almost all types of soil [10]. Thus, with no restriction on soil type and when using the right equipment, execution of panels is carried out conveniently with no special considerations according to each type.
However, detailed field monitoring on four subway station sites during the construction of the Suzhou metro in China (Figure 3), has shown exposure of rebars where diaphragm wall panels were constructed in silty sand to silty clay layer [9]. In fact, depending on the soil profile and the configuration of the diaphragm wall (length of panels and construction sequence), horizontal displacements of the inner trench wall face can be important. Stability of the excavated trench as well as ground response including settlement and lateral deformations depending on the soil type can therefore be related to the occurrence of some arising defects like mattressing imperfections. Another study [11] has exposed situations in which soil (usually sand or silt) was not handled properly. In some cases, coatings of granular soil prevented longitudinal reinforcement bars from bonding to the concrete.
Several conclusions were made regarding soil moisture content and groundwater horizontal flow. A study [6] suggested that when drilling in cohesive soil, excess pore water will certainly dissipate endorsing an increase of the void ratio. This event will allow swelling of the surrounding soil. On the contrary, if the soil is now hydrophilic, during the concreting process, water existing in the concrete will be attracted by the nearby ground [12]. Hence, the rising concrete loses its fluidity and slows down between the cage and soil interface. This phenomenon could thus induce shadowing pathologies.
Another factor related to the soil component is the level of the water table. While some [13] might think that the presence of groundwater is the first element leading directly to the honeycombing disorders, a study [14] has revealed that it cannot be considered as the primary cause of anomalies as other parameters like materials properties and borehole cleanliness showed more significant effects.
## ii. Slurry
Drilling slurry also called support fluid in Civil Engineering is a stable suspension generally made of polymers or colloidal clay used to support the sides of open trenches during excavations. In Europe, Bentonite clay is the most common mud utilized in diaphragm walls construction. Many research works have dealt with this type and very few observations have been made regarding polymer suspensions. According to [15], the occurrence of mattressing on laboratory placed shafts was much more remarkable for specimens cast in bentonite slurry compared to polymers suspensions, but the studies have been processed without respecting the bentonite slurry recommendations, so these conclusions would have to be confirmed.
Bentonite is a natural clay, which mainly contains smectites. It has typical characteristics such as very fine particle size, and very high specific surface as well as great sensitivity to hydration. With very little dry substance, it can produce stable suspensions and that is because of its water-retaining power and large grain swelling capacity. By this means, the stabilizing fluid consists in mixing bentonite powder, dosed between 30 and $50\mathrm{kg}$ per $\mathrm{m}^3$ of water. The mixing process is very crucial in developing slurry's rheological properties. Higher initial viscosity and gel strength are measured with greater agitation and longer mixing time [16].
The mix has a density slightly greater than that of water and consequently the fluid is more viscous. Hence, the final mixture can provide stability for the open trenches without infiltrating into the adjacent permeable soil. Some observations have shown that a dense slurry which exerts adequate hydrostatic pressure for stabilization purposes can be trapped at the bottom of the trench [17]. This incident might be related to the quality of the walls. However, Mullins and Ashmawy [14]
 Figure 4: Filter cake formation over trench face of excavation [20]
have shown that despite reliable values for the density and the Marsh viscosity, some panels with fluids showing high sand content suffered from a serious problem of rebar exposure.
During drilling phases, the slurry is loaded with sediments from the excavated soil and must thereby be de-sanded before concreting. If the sand content is greater than $4\%$, the slurry should either be sent directly to the desander and then return to the excavation in a closed circuit or be completely removed and replaced by a clean mix. De-sanding treatment can be automatic by mud recycling in sand separator sieves. Otherwise, the treatment can be chemical by adding sodium carbonate to increase the pH and restore the support fluid properties. Most commercial bentonite have a pH range between 9.5 and 10.5. However, the pH of the slurry can be reduced if contaminated by acidic groundwater [16]. Regarding pH modification, a study has shown that when pH measures relatively acid values, the stress necessary for the material to flow (yield stress), increases. On the other hand, if pH units increase, yield stress decreases [18]. The study also reveals that the chemical structure of the bentonite would be probably attacked in a very highly acidic media. A correlation between the contamination of the slurry and its rheological properties may be distinguished.
Another advantage of this support fluid would be its thixotropic behavior. In the absence of shear stress, this viscous fluid is altered and will form a gel like material. In contact with a porous surface like at the interface of the soil, the bentonite slurry forms naturally, by jellification and filtering, a very low permeable membrane called filter cake [19]. The role of this membrane consists in creating a barrier against the surrounding soil. Fluid exchange between the drilling slurry and soil interstitial solution would be restricted. Hence, the stabilizing fluid would resist the hydrostatic and lateral pressures generated by the water table and the adjacent soil. Figure 4 shows theoretically how a bentonite filter cake is formed on an inner trench wall face.
 Figure 5: Bentonite filtration [19]
So far, the creation of filter cake has not been the center of many researches. Some studies [19] [20] have presented it as a combination of bentonite and excavated soil. It is formed as the drilling slurry is being pumped into the trench under excavations when bentonite particles are being pushed near the interface and filtered out by the nearby permeable soil (Figure 5). As it is mentioned earlier, this phenomenon occurs automatically with no specific intentions. For that matter, there is no real guarantee that the bentonite slurry had formed a filter cake all along the excavated trench. Filz et al [20] have identified some criteria to ensure filter cake formation. However, the effectiveness of the support fluid remains uncertain in providing sufficient lateral forces. Furthermore, if bentonite mud is supposedly being filtered throughout the permeable interface, there are no definite information about the thickness of this membrane.
For example, a thin filter cake, could be associated with poor impermeability whereas a thicker membrane is supposed to endorse the application of hydrostatic pressure by limiting the infiltration of groundwater into the trench. However, a slurry which forms a good membrane may be too resistant to flow and therefore might not allow good spreading of the poured concrete [17]. Another consequence due to a thick filter cake is the reduction of the panel thickness. The latter is associated to a reduction of the cover zone and thus poor concreting quality.
To determine the filtration properties of the support fluid, a pressure driven test based on filter loss measurements is implemented. The apparatus, called Baroïd filter press, consists of a cell filled with drilling slurry, maintained under a pressure of 100 psi for 30 minutes. The volumes of fluid loss measured at the end gives an idea of the behavior of the material. Afterwards, the thickness of the cake is determined. These values are then compared to the recommended values (Table 1) which do not consider the type of soil encountered. This test is applied on site, in the exact same way (pressure of 100 psi) regardless of the soil type, the panel length or the pressures generated by the excavation. And the resulting cake thickness is assessed depending only on the slurry characteristics and do not consider soil – slurry interface.
The European Standards for special geotechnical work, diaphragm walls section, specifies general characteristics for bentonite suspensions for each of its three different stages. The properties to be attained are indicated in the Table 1.
Table 1: Characteristics of support fluid [21]
<table><tr><td rowspan="2">Property</td><td colspan="3">Values for different stages</td></tr><tr><td>Fresh</td><td>Re-use</td><td>Before Concreting</td></tr><tr><td>Density
in g/cm3</td><td>< 1.10</td><td>< 1.25</td><td>< 1.15</td></tr><tr><td>Marsh Value
in seconds</td><td>32 to 50</td><td>32 to 60</td><td>32 to 50</td></tr><tr><td>Fluid Loss
in cm3</td><td>< 30</td><td>< 50</td><td>N/A</td></tr><tr><td>pH</td><td>7 to 11</td><td>7 to 12</td><td>N/A</td></tr><tr><td>Sand Content
in% volume</td><td>N/A</td><td>N/A</td><td>< 4</td></tr><tr><td>Filter Cake
in mm</td><td>< 3</td><td>< 6</td><td>N/A</td></tr></table>
## iii. Rebars
Mattressing phenomena are characterized by marks following the trail of the vertical and horizontal bars of the reinforcing cage. In some cases, the rebars are exposed. Some aspects related to this component may therefore be linked to the origination of the anomalies.
The depth of diaphragm walls is usually very important. Consequently, reinforcing cages are being assembled from long and massive bars to assure appropriate lengths. Such heavy weights will generate stresses that develop in the bars. Loadings may cause significant and unpredictable deformations, possibly leading to buckling phenomena. For that reason, it is important to evaluate the quality of the steel bar as it must be rigid enough for not to deform during handling operations [10]. A change in shape can cause verticality defects of the reinforcing cage along with a much serious problem like the reduction of the concrete cover or even bars exposure.
In addition to great depth, diaphragm panels carry the advantage of fulfilling retaining walls function. The reinforcement strength must be determined as suitable for the full design life of the structure. With regards to these factors, design calculations may result in integrating large and thick rebar diameters with little and narrow clear spacing. Furthermore, the cages will be subjected to significant pressures due to the concrete flow. Thereby, it must be taken into account to incorporate enough horizontal steel [10]. The clear spacing is determined according to Eurocode 2 [22]. In some cases, the values recommended may limit the ability of the concrete to flow throughout the steel rebars [2]. In fact, a trace of the reinforcement cage has been observed on site where excessive steel has been applied [7]. A study detailing concrete flow in drilled shafts showed that single reinforcement cages led to fewer defects than doubled cages [4].
## iv. Concrete
Tremie concrete for deep foundations are one type apart from normal concretes because of their specific properties in the fresh state and their application without vibration. The diaphragm wall concrete must be sufficiently fluid to properly occupy the entire volume of the excavation [10] and at the same time, appropriately compact to correctly pile up by simple gravity without infiltrating into the slurry. This characteristic is guaranteed when enough concrete flowability and workability retention meet appropriate stability [2]. Flowability or workability describes the ability of fresh concrete to behave as a liquid and pass through the gaps of the reinforcing cage [23]. Workability retention or workability life illustrates the prior property as a function of time [23]. It estimates the duration that could maintain a fresh concrete with sufficient workability. For tremie concrete, this duration must correspond to the time a panel take to be placed. As for stability, this property defines the ability of fresh concrete to retain its water under pressure. Once discharged, the concrete is subjected to pressure generated by the surrounding soil on the sides and the fresh newly poured concrete above. Under these circumstances, the fresh concrete must act as a soft solid and "deform" instead of losing its water. The dual challenge, to alter between liquid state and soft solid, depends on the rheology of the concrete. The rheology is defined by the response of the material under the effect of an applied force. With the increase in stress, the strength that binds the matrix together would decrease allowing the fluid to flow. Nonetheless, there won't be any flow under lower stresses where the mix behaves like a solid. The rheology is represented by two main properties: the yield stress and the plastic viscosity. In order for the diaphragm wall concrete to flow easily under its own weight, the latter should maintain a very low yield stress as well as a small plastic viscosity [24]. Depending on the rheological properties of the concrete, the latter may be too resistant (high viscosity) during placement that when encountering the reinforcing cage, is unable to wrap around the rebars and cover the external sides leaving behind voids along the bars. Some studies have linked observed damages on panels described as honeycombs, with either insufficient concrete quality and lack of stability or poor bonds with reinforcement and lack of workability [5]. Another study describes the mattressing phenomena as inclusions in the cover zone caused by an insufficient concrete flow due to reduced workability performance [1].
The rheology of concrete does not only depend on its age when concreting but it is also a function of its composition. The type of aggregates used in the concrete mix has a direct impact on its workability. Crushed aggregates have an angular shape and a rough surface, which significantly increase the yield stress and the plastic viscosity, thereby reducing the flowability of the mixture. On the other hand, the smooth surface of round or natural aggregates reduces the friction of the internal particles and leads to an increase in fluidity [25]. Furthermore, aggregates with a relatively large diameter $(D_{\mathrm{max}})$ restrict the flow of concrete between the rebars. For that reason, the specified $D_{\mathrm{max}}$ shall not exceed the minimum of $32~\mathrm{mm}$ and $1 / 4$ of the clear space between the vertical bars [26]. A well graded aggregate particle distribution is essential, since grading minimizes the risk of instability [27]. A reduced flow related to insufficient concrete workability is related to a lack of fines in the aggregates distribution combined with little water content [1].
As for the binder, its type is conditioned mainly by the level of aggressiveness of the nearby environment. However, its composition is related to the rheological properties of the paste. It is recommended to use supplementary cementitious materials (SCMs) to improve concrete workability [21]. On a one hand, the addition of slag reduces the plastic viscosity and a study has shown that it also reduces the yield stress of the mixture regardless of the water - to - cement ratio [28]. Adding fly ash, on the other hand, increases the viscosity of the mix, reducing thereby concrete's tendency to bleed and increasing the stability of the mix [29].
The fineness of the cement has as well an influence on the workability and stability of the concrete mix. A fine cement requires more water to hydrate. This means that, for the same W/C, lesser water would be free to flow between the particles. A recent study has proposed to increase the specific surface of the cement (Blaine method) to $4000\mathrm{m}^2/\mathrm{kg}$ for diaphragm walls concrete mixes [30]. Other works suggest to partly replace the cement with ultra-fine additions significantly finer than the cement to decrease the viscosity and the yield stress [2].
If the quantity of water is reduced to avoid segregation and bleeding, it is essential to find other means to ensure good workability. The specific properties of diaphragm wall concrete are quite often ensured by the addition of water reducing admixtures. The superplasticizer makes it possible to improve the fluidity and facilitate concrete flow by reducing the intensity of the interactions between the grains of cement. This change is however, causing a risk of gravitational instabilities which results in an upward vertical migration of water within a freshly poured concrete [31]. On a one hand, this mechanism can, when mixing to the cement, give rise to side effects like excessive segregation, if not well dosed [32]. On the other hand, an insufficient application of admixtures in the tremie concrete can contribute indirectly to mattressing imperfections since these defects are related to insufficient lateral flow [1].
The practical considerations and proportioning of the mix design previously determined are not enough to guarantee desired concrete quality.
Test methods are applied on trial mixes to verify that the rheological properties fall in the accepted ranges. It has been shown that poor concrete quality is, in some cases the consequence of inadequate mixing speed. Numerous tests describe the rheological state of the tremie concrete. In practice, the tests carried out on site are two. The slump test in accordance with NF EN 1538 [21] must fall in the range of $210 + / - 30 \mathrm{~mm}$ and a slump flow between $600 + / - 30 \mathrm{~mm}$.
There is also another test that gives a measure of the stability, the recently developed BAUER filter press. This testing device provides a method for investigating the water retention ability of fresh concrete under pressure. The guide values for the stability of the deep casting concrete recommends a filtration value $\leq 22\mathrm{ml}$ known as $15\mathrm{l} / \mathrm{m}^3$ for panels with a depth greater than $15\mathrm{m}$. However, to follow up on recent research studies, it has been proposed to bring this value to 10 $\mathrm{l} / \mathrm{m}^3$ [12].
### b) Executed Techniques
The execution of diaphragm wall panels constitutes of a succession of operations. Prior to the construction work, attention must be drawn to local conditions of the site to ensure good implementation of the walls. A study of the paneling and the order of execution must be well-thought-out to limit the vagaries during the construction [33]. The construction methodology is explained in the following sequences. The first operation comprises into boring a trench, constantly supported by the stabilizing fluid. Once the excavation process is achieved, the reinforcing cage is introduced into the trench and the tremie pipes are placed at the center of the panel. Then concrete placement begins where the latter should displace the slurry upwards to be consequently evacuated. Although the success of this technique depends on the properties of the materials, the right application of these procedures is important in the good implementation of the diaphragm walls.
Nowadays, there are several international codes and standards of practice in the scientific literature that cover the different points of this technique. The aim of this section is to apprehend some missteps that could be related to the mattressing pathology.
## i. Boring Process
The diaphragm walls are drilled from the platform level using various types of mechanical devices depending on the soil encountered [10]. The drilling tools must respect the exact dimensions of the panels as the thickness is conditioned by the absolute width of the drilling tool (usually $50~\mathrm{cm}$ to $150~\mathrm{cm}$ ). The cover of the reinforcing cage depends consequentially on the boring operations since no temporary casing is used and the concrete may have difficulties in flowing to the top (little space between the ground and the reinforcement). Several studies ([14], [21] and [11]) have mentioned borehole cleanness for being one of the primary cause for arising defects. If the bottom of the excavation has not been cleaned out correctly, settled materials may be pushed to the sides of the excavation and eventually become attached to the steel rebars [11]. During drilling operations, it is the verticality of the tool that conditions the proper execution of the foundation element. In fact, the European standard [21] allows a tolerance of $1\%$ with respect to the depth, for the verticality of the panels. On several sites, a tolerance of $0.5\%$ is applied and is limited to a maximum of $20~\mathrm{cm}$. Deviations from the face of the trench are deeply linked to the general stability of the panel. Some of the factors that influence these deviations is the type of tool used, the method of soil extraction and the speed of excavation [17]. The same study underlines the necessity of a slow excavation speed in order to minimize the disturbance of the soil at the internal face of the wall, by allowing a proper formation of the filter cake. Investigations held by Tong et al [9] on several construction sites determined that exposed rebars were observed on sites where the speed of excavation was slightly higher than others. Another study [11] has indicated that when excavating a granular stratum too quickly, the drilling operations may produce an undercut zone disturbing the hole stability.
## ii. Stability of the Excavation
The previously described thixotropic slurry continuously ensures the stability of the open excavation. The support fluid supply is provided simultaneously as the soil is being extracted, so that the rate of supply replaces directly the volume of the excavated soil.
To avoid any landslides, pumps are being kept in motion to ensure the continuity of the fluid supply and may be left running to recirculate the slurry when delivery is not required. While continuous pumping was considered harmful for synthetic polymer based fluids, as significant degradation of the fluid properties was observed, it has been shown that the circulation through a centrifugal pump turned out to be beneficial for bentonite mugs since it prevents settlement and improves hydration [19]. On the contrary, leaving mineral slurries in an excavated trench of a granular soil without agitation leads to the formation of a thicker filter cake [11]. The resulting impermeable membrane is thus too dense to be easily replaced by the flowing concrete. Figure 6 illustrates a thick filter cake formed on the side of a borehole in granular strata.
The continuous motion allows the level of slurry to be maintained in the excavation. The latter has an influence on the lateral soil displacement of the open trench. When the level of slurry was lowered to $1\mathrm{m}$ below its original level, a $60\%$ increase of the horizontal soil displacement was detected [9].
 Figure 6: Thick filter cake formation due to stagnant slurry [11]
## iii. Reinforcement Cage
After bringing a trench wall excavation to stability, the reinforcing cage is installed into the panel. Anomalies in the concrete block like "shadowing pathologies" can also be the result of incorrect placing of the reinforcing cage. Any element to be introduced into the excavation, is liable to movements during concreting. This may create retention zones for slurry or polluted concrete during the concreting of the panel [33].
If verticality defects are mainly related to change of shape of the rebars, non-compliance with the recommendations of the standards [21] can lead as well, to a deviation from the side of the wall. As it goes down, spacers should be placed every 3 to $5\mathrm{m}$ on each side to ensure the centering of the cage in the trench.
The standard also requires not less than $75\mathrm{mm}$ as minimum cover. However, Delisle [34] suggests that it is essential to provide $100\mathrm{mm}$ to prevent cover defects.
## iv. Concreting
In the case of diaphragm walls, concrete placement remains the most delicate operation. Any small misstep risks causing damages to the final structure.
Prior to concreting, the base of the excavation should be cleaned of any loose debris. The debris can be trapped in the initial concrete discharge and may accumulate in the interface layer [2]. Hence, the now polluted concrete finds more difficulties in covering every part of the excavation.
Concreting is usually done using the tremie pipe method, which consists of a pipe and a filling hopper at the top. The vertical column whose base reaches the bottom of the trench, helps guide the concrete flow. If the first concrete is not properly discharged, it ends up being dispersed and trapped at the lower and the lateral parts of the borehole (Figure 7) and does not therefore rise uniformly and entirely when the pouring proceeds. This phenomenon affects the quality of concreting and disrupts the lateral friction between the cementitious material with the excavation boundaries [35]. Any disturbance of the tremie pipe position can also lead to segregation problems and pollution incidents.
 Figure 7: Distribution of the dispersed concrete following a priming defect [35]
Depending on the panel length, it may be necessary to use several tremie pipes simultaneously to ensure a uniform rise. In order to guarantee the integrity of the panel, the concrete rising speed shall not be less than $3\mathrm{m / h}$ [21].
A study using concretes of different colors helped to better understand the process of concreting in diaphragm walls. Experiments (Figure 8) on freshly poured panels indicate that the concrete sitting in the central area is being pushed outside the reinforcement cage when new fresh concrete is added [7].
 Figure 8: Difference of concrete inside and outside the reinforcement cage [7]
Figure 9 shows mattressing features observed on one panel, where steel bars significantly influence the horizontal flow of concrete in the cover zone and no significant flow upwards has occurred. During the first concrete discharge, areas between the rebars and the surrounding soil were not filled with concrete, due to dense reinforcements. However, when enough pressure at the outlet of the tremie pipe is attained, the previously unfilled areas were eventually completed.
 Figure 9: Concrete flow in highly dense reinforcement areas [7]
If the concrete placement is interrupted (Figure 10), after a certain time, the pressure difference between the concrete inside and outside the pipe is no longer enough to allow its rise in the borehole. This can be the cause of serious imperfections [34]. A prolonged concrete interruption induces the instability of the bentonite suspension, and a filter cake forms on the surface between the fresh concrete and the bentonite [7].
 Figure 10: Interruption trace of concreting on a panel of diaphragm wall [7]
### c) Interactions
Regarding the following section, there is not an abundance of available information. However, when looking at the issue with a smaller scale, several interactions that were observed in the past, are discussed in this article. It includes interactions between each two components throughout all the construction stages.
## i. Soil and Slurry
To better understand the role of bentonite slurry in the diaphragm wall technique, it is important to recognize the interactions between the stabilizing fluid and the surrounding soil.
According to Besq et al [36], it is necessary to take into account the nature of the excavated soils before choosing the properties of the support fluid. A bentonite suspension having enough shear strength may be required to reduce penetration into the permeable soil [21]. Surface filtration into the ground is much to be preferred than deep filtration in order to form a cake as quickly as possible at the interface and avoid loss of slurry into the soil [16].
A first interaction can be represented by the filter cake formation. Based on the results of [37], a filter cake will form depending on soil particles gradations in the case of fine sand and suspended silt. With regards to the soil permeability and the density of the slurry, this filter cake can be either too thick or too thin. The consequences were previously discussed in this paper and thus have consecutively an impact on the good quality of the panels. In cohesive soils with high clay content, the slurry is charged with suspended fines and therefore becomes heavier and slows down the drilling tool in the trench. Heavier slurry has also an impact on the filter cake as it increases its thickness and hence reduces the contact pressure of the clamshell grabs [19]. Based on other research works concerning the stability of deep diaphragm walls constructed in a sandy soil, when the bentonite suspension is maintained at a level higher than the level of the water table, the pressure difference tends to force the bentonite into the adjacent soil. Thus, the filter cake formation consists not only of bentonite, but also of silt and silty sand [20]. For that reason, higher densities of the support fluid were measured in the cover zone, explaining difficulties of the concrete flow, especially when it can no longer effectively push the bentonite upwards between the reinforcing cage and the soil interface.
Bentonite slurry could possibly be diluted by the groundwater and contaminated by fine soil particles dispersed in the fluid. As a result, its rheological properties can then be modified. Several imperfections discussed earlier in this paper, were observed. It should be noted, that the contact time for the slurry in the excavation is also very crucial in the occurrence of the anomalies. According to[38], the bentonite suspensions exposure shall not exceed 36 hours for some excavations.
Chemical reactions between the support fluid and ground water or ground particles can also take place in the excavation [19]. Chemical species can be either ionic compounds from calcium and magnesium or in the form of a mineral like gypsum. For the first specie, effects like breaking molecular bonds can be a problem. Gypsum, on the other hand, has a direct effect on the slurry which becomes too fluid and the filter cake penetrable.
## ii. Slurry and Rebars
To evaluate the influence of the support fluid when in contact with the steel rebars, some studies have been carried out to verify the adhesion of the bars, previously immersed in bentonite slurry, to the hardened concrete. While the bond between the concrete and vertical bars is seen slightly reduced, greater reduction in the adherence of horizontal steel was observed. The probable explanation is that the rise of the concrete along the longitudinal reinforcement cleans them perfectly, while, in the case of the horizontal bars, only the lateral parts are well scraped and a film of slurry remains trapped along the lower and upper parts [34]. Several materials previously settled in the bentonite suspension may become loosely attached to the rebar as the fluid rises [11]. If not well treated, the slurry could remain contaminated and may be too resistant to flow so when moving upwards do not allow good cleaning of the steel bars [17]. Another study [38] that applied pullout testing confirmed that the bond strength between the concrete and the rebars was reduced (up to $70\%$ ), due to buildup of the slurry on the bars. The residual slurry noticed on the reinforcement increased when the apparent viscosity increased.
## iii. Slurry and Concrete
Mattressing phenomena can be linked to interactions at the interface of the supposedly two immiscible fluids. A study [1] suggested that poor concrete quality incites for the two fluids to be mixed. In fact, if the concrete cannot easily pass through the reinforcing cage, the bonds that binds the matrix will be broken, creating a thin channel of de-bonded concrete. Hence, a fluid like the slurry, which already flows in the excavated trench, penetrates the thin channel, between the de-bonded concrete. This phenomenon creates a permanent separation layer preventing the concrete from re-bonding and consequently giving rise to the mattressing defects.
In the literature [39], several cases are described in which the concreting process has resulted in inclusions of bentonite. If pouring resumes after an interruption, previously poured concrete, which has stiffened due to its immobilization encounters difficulties in regaining the flow through the cage whereas the fresh concrete comes out of its initial flow, and forms a new layer, thus trapping the slurry mixed with the sandy soil.
Figure 11 shows severe honeycombs features due to reestablishing concrete flow. When fresh concrete arrives, the upper face of the old stiffer concrete in contact with the settled materials of the slurry is pushed outward and through the reinforcing cage [11].
 Figure 11: Severe honeycomb features following an interruption of the concreting [11]
In contact with concrete, thixotropic slurry has its rheological properties modified [40]. In addition to its thickening, a high pH values were measured, as well as an increase of the viscosity. Chemical reactions also occur between the support fluid and the concrete and more specifically the cement particles. The filter cake under the effect of $\mathrm{Ca^{2+}}$ ions from the cement changes and hardens, thereby inducing a difficulty for the concrete to completely remove it from the walls of the trench. A study concerning the physico-chemical interaction between cement and bentonite [41], confirms ionic exchanges between the two solutions. However, the experimental work carried out, was not enough to cover all the phenomena regarding the evolution of the hydraulic performances of bentonite in contact with cementitious solutions.
## iv. Concrete and Soil
Interactions between the freshly poured concrete with the surrounding soil occur before the hardening of the concrete. The cementitious materials are often poured to great depths (20 to $50\mathrm{m}$ ), therefore, the fresh concrete located at the bottom of the structure is subjected to important pressures generated by the surrounding soil. Under the effect of these pressures combined to gravity forces, instabilities like bleeding, may appear [31]. Thus, the now drained concrete loses its fluidity. Larisch [1] defined the mattressing pathology as inclusions of soil in the cover zone when insufficient concrete flow arises. The displacement of the internal face of the trench wall mentioned previously, depends on several aspects like the soil profile, the depth of the panel or the presence of water table. Nonetheless, if a denser fluid like the concrete now provides the lateral pressures formerly engendered by the support fluid, these displacements might be moderated. However, with reduced workability performance, the concrete cannot rise properly specially in the cover zone and will not provide enough lateral pressures at the wall interface.
## IV. PATHOLOGY OVERVIEW (RECOMMENDATIONS)
In addition to codes and standards of practice, some research studies, which have investigated mattressing issues, have proposed the following recent recommendations regarding composition properties and placement procedures.
With regards to support fluid properties:
When the European Standards (NF EN 1538) allows a $4\%$ sand content for the bentonite slurry before concreting, a study [14] showed that it should not exceed $1\%$. About almost the same amount of sand that can be suspended in the slurry falls to the bottom of the excavation within the first two hours.
For the concrete composition:
- Mullins and Ashmawy [14] has defined a CSD factor, clear spacing to maximum aggregate diameter, in order to estimate head differential



measurements of the concrete inside and outside the reinforcing cage. The CSD must be greater than 5.
- The same study [14] also proposed not less than $101.6 \mathrm{~mm}$ for concrete slump loss. However, for full scale field applications, a value between 114.3 to $127 \mathrm{~mm}$ is more appropriate since with the use of admixtures slumps between 177.8 to $228.6 \mathrm{~mm}$ can be reached. For other studies [5], concrete mixes with slump values of $260 \mathrm{~mm}$ showed excellent performances towards segregation stabilities.
- A less viscous concrete is more likely to push the first usually contaminated batch to the surface than laterally into the rebars. Therefore, tremie concrete should more behave as a self-consolidated rather than normal concrete [1] since mattressing defects are related to design mixes with insufficient workability. To ensure appropriate viscosity, it is proposed to use admixtures like water reducers and viscosity modifiers.
Regarding placement techniques:
- To limit segregation when the first concrete is being discharged, it is proposed to pre-charge the tremie with either neat cement or mortar mix before beginning the concreting [14].
## V. DISCUSSION
The present status of the shadowing pathologies, necessitates further research and more detailed studies. Indeed, despite carrying out the recommendations, disorders continue to appear.
To specifically investigate the origins of shadowing pathologies, it is important to study all the parameters that are involved in the construction of diaphragm walls.
Although bentonite-based support fluid is used to stabilize open trenches, it cannot be considered as a stable material itself as its properties may vary depending on some factors like the nature of the soil encountered. It could be interesting for instance, to study the relation between the nature of the excavated soil and the properties of the support fluid and investigate the interactions at the interface. The purpose of the experiment is to properly conclude on the formation of the filter cake.
Since chemical reactions of cement particles can also alter rheological properties of the support fluid. It is therefore proposed to examine what the bentonite slurry can undergo, when in contact with different solutions, like the concrete, soil particles or even water in the ground. This kind of experiment will allow to correctly understand the state of the support fluid at each construction stage so it would be easier to predict concrete flow in the stabilizing fluid.
As for concrete flow, it should be considered to test different concreting speeds and different concrete age as it has been shown that it directly affects good spreading between the reinforcing cages in the cover zone.
Shadowing pathologies is a phenomenon that affects structural, aesthetic and durability issues of diaphragm walls. For that matter, it shall be investigated analytically using available data and field monitoring results and through experimental work by testing the parameters previously discussed, and finally using equations and finite element models to better understand the occurrence of the phenomena involved.
## VI. SUMMARY AND CONCLUSION
"Shadowing pathologies" is a serious problem since the defects are related to the durability of the structure. The rebars can directly be exposed to the open air, facilitating corrosion events of the reinforcements, and harming thereby the entire structure. If the visible imperfections can be repaired, some other hidden defects cannot be detected. Therefore, preventing mattressing defects, becomes of great interest.
This article consists of a general overview describing the present status regarding "shadowing pathologies". The factors affecting the occurrence of the disorders that can be found in the literature, may be divided into three main families. The general concept behind every family is described. So far, the imperfections can be either caused by components that do not meet appropriate properties or if activities for the placement techniques do not fall in the ranges of acceptance of the recommendations. These malfunctions combined to poor workmanship or interaction effects emphasize the imperfections to become defects. The identification of a few events may help to converge towards failures and malfunctions generating the appearance of the disorders in the diaphragm walls.
All authors declare that they have no conflicts of interest.
Generating HTML Viewer...
References
42 Cites in Article
M Larisch (2019). Concrete defects in bored piles as a result of insufficient applications of chemical admixtures.
K Beckhaus,B Admiraal,A Bell,B Bohle,M Boutz,D Brown (2018). Guide to Tremie Concrete for Deep Foundations.
B Ikotun,R Mathye,G Fanourakis (2019). Durability index of dry sludge incorporated concrete when used as sand replacement.
Victoria Perk,Martin Catalá,Maximillian Mantius,Katrina Corcoran (2017). mpacts of Bus Rapid Transit (BRT) on Surrounding Residential Property Values.
(2023). MERCon 2023 Message from the General Chair.
K Beckhaus,M Larisch,H Alehossein (2011). New Performance Criteria for fresh Tremie Concrete.
J Carter (1988). A semi‐analytical solution for swelling around a borehole.
J Van,J Bosch,W Broere (2018). Concrete flow in diaphragm wall panels: A fullscale in-situ test.
S Mobley (2019). Expansive Cement Concrete for Drilled Shafts.
Liyuan Tong,Qiwen Guo,Hongbo Che,Mingfei Zhang,Huangsong Pan,Hongjiang Li (2019). Investigation of Rebar Exposure Issues of Diaphragm Wall and Influencing Factors Analysis.
O Combarieu,R Dagba (2003). Guide technique Ouvrages de soutènement Recommandations pour l' inspection détaillée, le suivi et le diagnostic des parois moulées et préfabriquées métalliques.
M O'neill (1991). Construction practices and defects in drilled shafts.
A Azzi (2015). Influence des paramètres de formulation du béton sur les pathologies des parois moulées.
D Brown,J Turner,R Castelli (2010). Drilled Shafts: Construction Procedures and LRFD Design Methods.
Gray Mullins,A Ashmawy (2005). Design of Drilled Shafts.
S Mobley,K Costello,G Mullins (2018). The effect of slurry type on drilled shaft cover quality.
D Ball,M Hutchinson,S Jefferis (2006). Bentonite Support Fluids in civil engineering.
O Hussieny (1992). A study of different aspects of diaphragm walls.
M Benna,N Kbir-Ariguib,A Magnin,F Bergaya (1999). Effect of pH on Rheological Properties of Purified Sodium Bentonite Suspensions.
S Darson-Balleur (2019). Guide to Support Fluids for Deep Foundations.
G Filz,T Adams,R Davidson (2004). Stability of long trenches in sand supported by bentonitewater slurry.
(2015). Execution of special geotechnical works. Diaphragm walls.
Nf En (1992). Recommendations for the design of structures to BS EN 1992-2:2005.
M Larisch,Z Qin,H Alehossein (2013). Concrete Bleeding in Deep Foundations as a Result of Aggregate Grading.
J Jeyaraj (2018). Numerical Modeling of Concrete Flow in Drilled Shaft.
Dengwu Jiao,Caijun Shi,Qiang Yuan,Xiaopeng An,Yu Liu,Huang Li (2017). Effect of constituents on rheological properties of fresh concrete-A review.
(2013). Concrete. Specification, performance, production and conformity.
G Dreux,J Festa (1998). Nouveau Guide du Béton et de ses constituants.
Reza Ahari,Tahir Erdem,Kambiz Ramyar (2015). Thixotropy and structural breakdown properties of self consolidating concrete containing various supplementary cementitious materials.
Ahmet Beycioğlu,H Yılmaz Aruntaş (2014). Workability and mechanical properties of self-compacting concretes containing LLFA, GBFS and MC.
A Azzi (2017). Influence des paramètres de formulation du béton sur les pathologies des parois moulées.
Valérie Paul-Boncour,Svetlana Voyshnis,Karine Provost,Jean-Claude Crivello (2018). Isotope effect on structural transitions in Y0.9Gd0.1Fe2(HzD1-z)4.2 compounds.
P.-C Aïtcin,R Flatt (2016). Science and Technology of Concrete Admixtures.
J.-P Delisle (1964). Les Parois Continues Moulées dans le Sol.
Wilfried Pillard (2016). Béton hydraulique – Mise en œuvre – Bétonnage et serrage.
A Besq,C Malfoy,A Pantet,P Monnet,D Righi (2003). Physicochemical characterisation and flow properties of some bentonite muds.
G Filz,R Boyer,R Davidson (1997). Bentonite-water slurry rheology and cutoff wall trench stability.
G Mullins (2013). Defining the upper viscosity limit for mineral slurries used in drilled shaft construction.
R Spruit,F Van Tol,W Broere (2015). Detection of anomalies in diaphragm walls.
Basim Abu-Jdayil (2011). Rheology of sodium and calcium bentonite–water dispersions: Effect of electrolytes and aging time.
A Couradin,L Oxarango,D Dias,C Pothier (2016). Approche Des Interactions Physico Chimiques Bentonite/Ciment: Cas De L 'Etancheite Des Ouvrages Souterrains.
Işil Basara,Ali Balci,Nevin Koremez (2013). DIAPHRAGM AND CHEST WALL PATHOLOGIES.
No ethics committee approval was required for this article type.
Data Availability
Not applicable for this article.
How to Cite This Article
Maria Kmeid. 2026. \u201cShadowing Pathologies of Diaphragm Wall Concretes: General Overview\u201d. Global Journal of Research in Engineering - E: Civil & Structural GJRE-E Volume 23 (GJRE Volume 23 Issue E4): .
Explore published articles in an immersive Augmented Reality environment. Our platform converts research papers into interactive 3D books, allowing readers to view and interact with content using AR and VR compatible devices.
Your published article is automatically converted into a realistic 3D book. Flip through pages and read research papers in a more engaging and interactive format.
This paper provides a general overview regarding shadowing pathologies that have been observed on diaphragm walls after excavation. This phenomenon, also termed mattressing by the European Federation of Foundation Contractors and the Deep Foundation Institute, on wall panels, as its name suggests, is the imprint of the reinforcement cage in the concrete block. While some mattressing is not necessarily evaluated as defect, durability issues put at risk the integrity of the structure. In some cases, the steel reinforcing bars are directly exposed to the open air, promoting corrosion phenomena, and thus harming the entire structure. Upon investigating the preliminary findings of the scientific literature, this article has defined the factors that are likely to affect the occurrence of these anomalies. These factors may be divided into three main families: diaphragm wall components, executed techniques during construction, and interactions between the components throughout the different construction stages. Recommendations presented by previous studies are also discussed.
Our website is actively being updated, and changes may occur frequently. Please clear your browser cache if needed. For feedback or error reporting, please email [email protected]
Thank you for connecting with us. We will respond to you shortly.